|
工作电压(V) |
螺旋桨 |
油门(%) |
拉力(g) |
电流(A) |
输入功率(W) |
转速(RPM) |
力效(g/W) |
扭矩(N·m) |
输出功率(W) |
电机温度(℃) |
|---|---|---|---|---|---|---|---|---|---|---|
|
46V(12S LiPo) |
MFP 30x11 S / MFP 30x11 |
35% |
2021 |
3.5 |
161.2 |
1571 |
12.5 |
0.74 |
121.7 |
/ |
|
39% |
2472 |
4.4 |
204.0 |
1721 |
12.1 |
0.89 |
160.4 |
|||
|
42% |
2968 |
5.6 |
256.5 |
1877 |
11.6 |
1.06 |
208.3 |
|||
|
45% |
3493 |
6.9 |
317.3 |
2032 |
11.0 |
1.24 |
263.8 |
|||
|
48% |
3999 |
8.3 |
380.4 |
2171 |
10.5 |
1.41 |
320.5 |
|||
|
51% |
4476 |
9.6 |
443.5 |
2294 |
10.1 |
1.58 |
379.5 |
|||
|
54% |
4994 |
11.2 |
515.8 |
2419 |
9.7 |
1.76 |
445.8 |
|||
|
57% |
5456 |
12.7 |
583.9 |
2524 |
9.3 |
1.92 |
507.4 |
|||
|
60% |
6043 |
14.6 |
674.2 |
2650 |
9.0 |
2.12 |
588.3 |
|||
|
63% |
6452 |
16.1 |
740.0 |
2733 |
8.7 |
2.26 |
646.8 |
|||
|
66% |
6977 |
18.0 |
828.9 |
2836 |
8.4 |
2.45 |
727.6 |
|||
|
69% |
7951 |
21.8 |
1004.4 |
3017 |
7.9 |
2.79 |
881.4 |
|||
|
72% |
8500 |
24.1 |
1110.3 |
3115 |
7.7 |
2.99 |
975.3 |
|||
|
75% |
9050 |
26.5 |
1221.7 |
3212 |
7.4 |
3.18 |
1069.5 |
|||
|
78% |
10034 |
31.2 |
1434.5 |
3384 |
7.0 |
3.55 |
1257.9 |
|||
|
81% |
10467 |
33.3 |
1533.5 |
3459 |
6.8 |
3.71 |
1343.8 |
|||
|
84% |
11007 |
36.1 |
1660.6 |
3553 |
6.6 |
3.92 |
1458.4 |
|||
|
87% |
11548 |
38.9 |
1792.3 |
3646 |
6.4 |
4.13 |
1576.8 |
|||
|
90% |
12542 |
44.4 |
2042.8 |
3813 |
6.1 |
4.51 |
1800.7 |
|||
|
100% |
15006 |
57.7 |
2658.5 |
4132 |
5.6 |
5.35 |
2314.8 |
























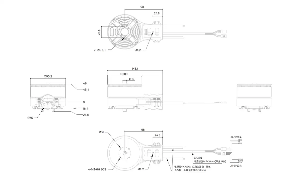
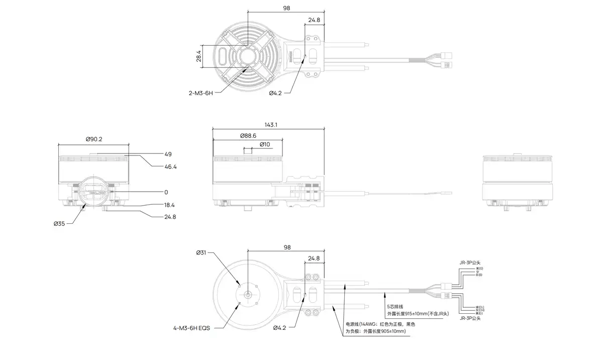
专为多行业应用的
具有更轻量化设计
兼备高速巡航、
并可灵活配置











