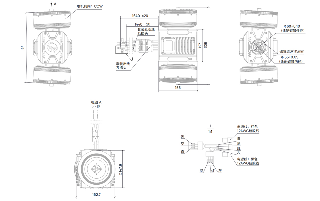
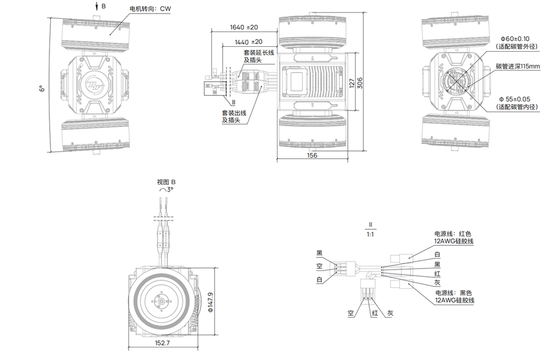
|
工作电压(V) |
螺旋桨 |
油门(%) |
拉力(g) |
电流(A) |
输入功率(W) |
效率(%) |
输出功率(W) |
力效(g/W) |
电机温度℃ |
|---|---|---|---|---|---|---|---|---|---|
|
92V (24S LiPo) |
MSC 54x20 |
33% |
17501 |
18.1 |
1667 |
86 |
1431 |
10.5 |
86℃ |
|
35% |
18490 |
19.5 |
1794 |
86 |
1547 |
10.3 |
|||
|
37% |
20581 |
22.5 |
2066 |
87 |
1801 |
10.0 |
|||
|
39% |
22800 |
25.8 |
2372 |
88 |
2088 |
9.6 |
|||
|
41% |
25125 |
29.5 |
2719 |
89 |
2409 |
9.6 |
|||
|
43% |
27541 |
33.8 |
3109 |
89 |
2764 |
8.9 |
|||
|
45% |
30036 |
38.5 |
3539 |
89 |
3151 |
8.5 |
|||
|
47% |
32603 |
43.5 |
4005 |
89 |
3569 |
8.1 |
|||
|
49% |
35239 |
48.9 |
4502 |
89 |
4016 |
7.8 |
|||
|
51% |
37944 |
54.6 |
5028 |
89 |
4490 |
7.5 |
|||
|
53% |
40718 |
60.6 |
5580 |
89 |
4990 |
7.3 |
|||
|
55% |
45125 |
71.8 |
6339 |
90 |
5680 |
6.8 |
|||
|
58% |
47982 |
77.9 |
7170 |
90 |
6441 |
6.7 |
|||
|
61% |
52586 |
87.8 |
8076 |
90 |
7268 |
6.5 |
|||
|
63% |
55764 |
95.6 |
8795 |
90 |
7918 |
6.3 |
|||
|
65% |
59031 |
103.9 |
9565 |
90 |
8607 |
6.2 |
|||
|
68% |
64093 |
117.7 |
10830 |
90 |
9719 |
5.9 |
|||
|
71% |
69330 |
133.0 |
12241 |
89 |
10935 |
5.7 |
|||
|
75% |
76515 |
156.0 |
14359 |
89 |
12710 |
5.3 |
|||
|
80% |
85567 |
188.2 |
17316 |
87 |
15109 |
4.9 |
|||
|
85% |
94162 |
221.5 |
20384 |
86 |
17490 |
4.6 |
|||
|
100% |
106991 |
273.6 |
25177 |
83 |
20829 |
4.2 |




























































