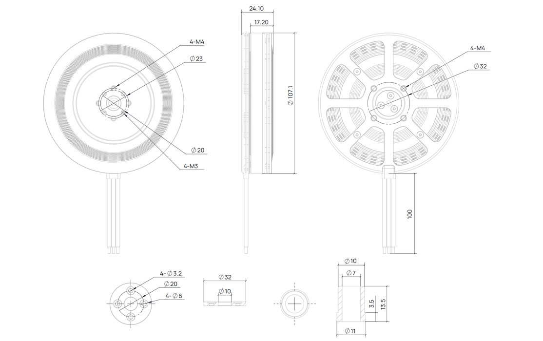
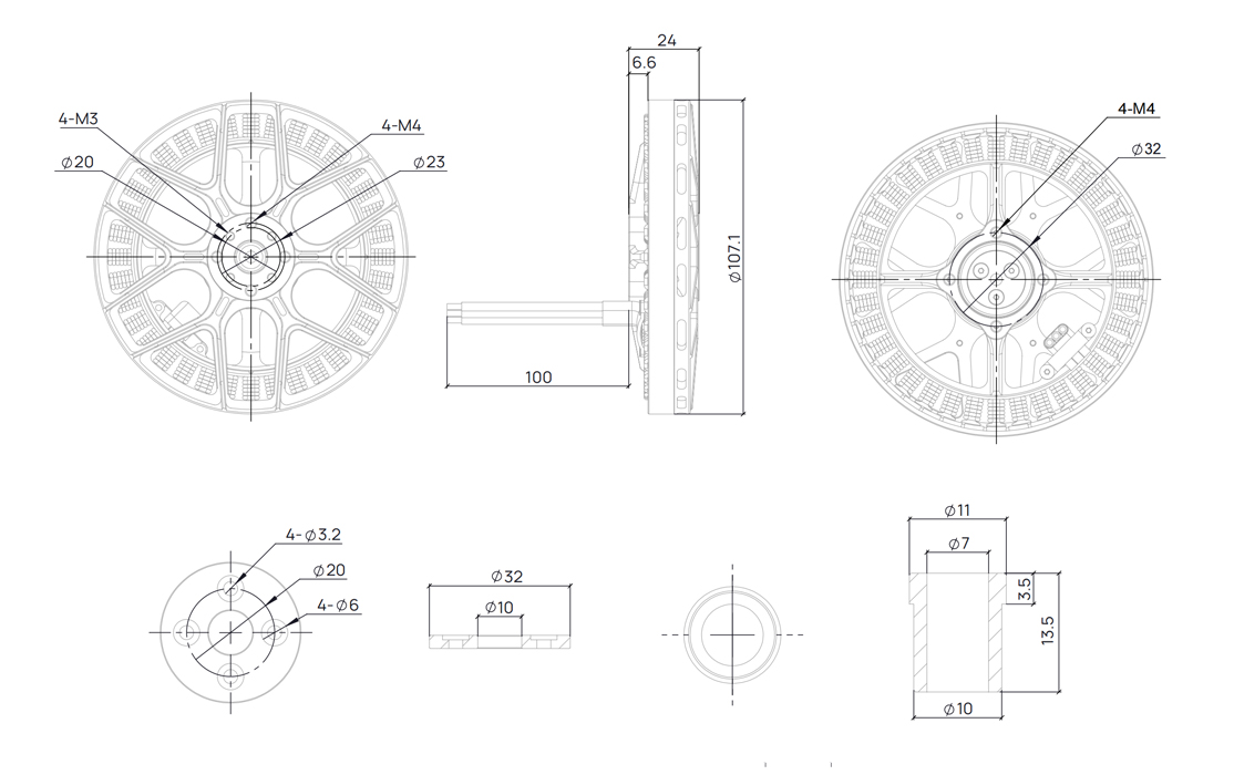
|
工作电压(V) |
螺旋桨 |
油门(%) |
拉力(g) |
电流(A) |
输入功率(W) |
转速(RPM) |
力效(g/W) |
扭矩(N-m) |
电机温度(℃) |
|---|---|---|---|---|---|---|---|---|---|
|
46V (12S LiPo) |
MSC 30x9.8 |
33% |
1485 |
2.1 |
95.6 |
1461 |
15.5 |
0.50 |
49℃ |
|
35% |
1648 |
2.3 |
108.2 |
1536 |
15.2 |
0.55 |
|||
|
37% |
1831 |
2.7 |
123.8 |
1617 |
14.8 |
0.61 |
|||
|
39% |
2030 |
3.1 |
142.3 |
1702 |
14.3 |
0.67 |
|||
|
42% |
2349 |
3.8 |
174.9 |
1831 |
13.4 |
0.78 |
|||
|
45% |
2686 |
4.6 |
212.2 |
212.2 |
12.7 |
0.89 |
|||
|
48% |
3034 |
5.5 |
253.2 |
2082 |
12.0 |
1.00 |
|||
|
51% |
3388 |
6.5 |
297.1 |
2198 |
11.4 |
1.12 |
|||
|
54% |
3746 |
7.5 |
343.4 |
2309 |
10.9 |
1.23 |
|||
|
57% |
4109 |
8.5 |
392.0 |
2414 |
10.5 |
1.35 |
|||
|
60% |
4478 |
9.6 |
443.2 |
2516 |
10.1 |
1.47 |
|||
|
63% |
4854 |
10.8 |
497.5 |
2615 |
9.8 |
1.59 |
|||
|
66% |
5240 |
12.1 |
555.6 |
2712 |
9.4 |
1.71 |
|||
|
69% |
5636 |
13.4 |
618.2 |
2810 |
9.1 |
1.84 |
|||
|
72% |
6045 |
14.9 |
686.2 |
2908 |
8.8 |
1.97 |
|||
|
75% |
6465 |
16.5 |
760.0 |
3007 |
8.5 |
2.11 |
|||
|
78% |
6896 |
18.2 |
839.7 |
3107 |
8.2 |
2.25 |
|||
|
81% |
7332 |
20.1 |
924.6 |
3207 |
7.9 |
2.40 |
|||
|
84% |
7767 |
22.0 |
1012.8 |
3304 |
7.7 |
2.55 |
|||
|
87% |
8191 |
23.9 |
1100.9 |
3394 |
7.4 |
2.69 |
|||
|
90% |
8589 |
25.7 |
1184.3 |
3473 |
7.3 |
2.83 |
|||
|
100% |
9452 |
29.5 |
1356.4 |
3612 |
7.0 |
3.09 |
































